Views: 0 Author: Uly Hong Publish Time: 2023-02-18 Origin: LenoRF
Depending on the particular application and model of connector, the length of a SMA connector might change. SMA connectors are often rather small, and their length is typically measured in millimeters. A standard SMA connector has a length around of 12~14 mm. Nevertheless, depending on their design and the particular purpose they are used for, certain SMA connections may be shorter or longer.
It's important to note that SMA connectors come in a variety of forms and sizes, including straight, right angle, bulkhead, and others. Additionally, they have many connector types, including Male, Female, and Reverse Polarity (RP), thus it's crucial to match the connector to the device in order to ensure correct compatibility.
Here are some typical profiles of SMA connector to demonstrate the length difference.

SMA Male Crimping For RG174 Cable

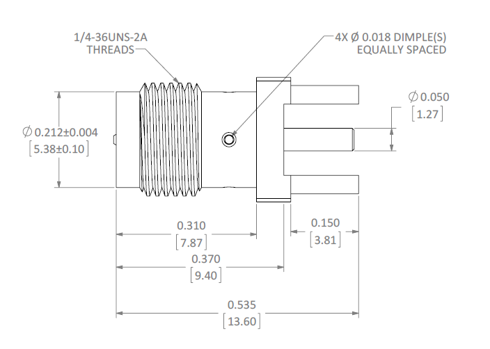
SMA Female Solder For PCB Through Hole

SMA Male Right Angle Clamp For LMR300 Cable

SMA Female Right Angle Solder For PCB
Frequency Capabilities of Common Coaxial Connectors: A Practical Selection Guide
Designing a 3.5 mm RF Adapter with DC–26.5 GHz Bandwidth and Ultra-Low VSWR (≤ 1.05)
RF Coaxial Cable Materials Analysis: Cost-Effective Selection Guide
Summary Of International Standard And Types Of RF Connectors
Difference Analysis of Semi-Rigid RG405 And Semi-Rigid, Semi-Flexible 0.086 Cables