Views: 0 Author: Uly Hong Publish Time: 2023-08-30 Origin: LenoRF
50 Ω
65.00 GHz
Screw-on Coupling

IEEE 287-2007,EN 61169-32-2000,IEC 61169-32-1999

In the realm of high-frequency connectivity, impedance plays a pivotal role in ensuring efficient signal transmission. One of the notable connectors in this domain is the 1.85 mm connector. Characterized by its impedance of 50 Ω and a maximum operating frequency of 65.00 GHz, this connector has established itself as a crucial component in various applications. This article delves into the details of the 1.85 mm connector, its historical evolution, coupling mechanism, interface standards, applications, and more.
The roots of the 1.85 mm connector can be traced back to the 1986 European Microwave Conference when Hewlett Packard introduced this innovative interface. It wasn't until 1989 that Anritsu, then known as Wiltron, brought the connector to the commercial forefront by releasing its 60 GHz Vector Network Analyzer. This transition marked a significant shift in the landscape of high-frequency connectivity.
What sets the 1.85 mm connector apart is not just its operational prowess but also its open-standard nature. Unlike many proprietary connectors, Hewlett Packard chose not to file patent applications to protect the design of the connector. This decision had a profound impact, as it enabled widespread adoption and utilization of the interface. It's worth noting that while the connector design itself is open for use, a patent application was filed to safeguard the design of the 1.85 mm constant impedance contact.
The 1.85 mm connector's impedance of 50 Ω is a critical parameter that influences its performance. This impedance matching is essential to minimize signal reflection and loss, ensuring the integrity of the transmitted signal. This connector's impressive operating frequency range of up to 65.00 GHz makes it a prominent player in the realm of mm-Wave RF connectors.
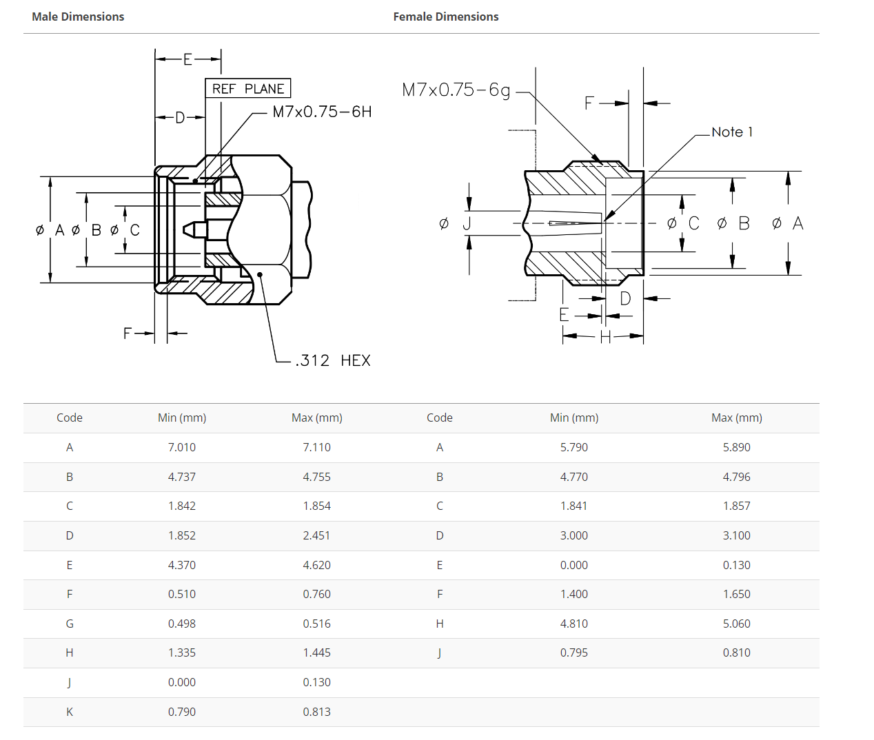
At the heart of the 1.85 mm connector's functionality lies its screw-on coupling mechanism. This mechanism not only provides secure connectivity but also facilitates ease of use. The connector's interface standards are defined by IEEE 287-2007, a standardization that ensures consistency and compatibility across systems. This standardization empowers engineers and designers to integrate the 1.85 mm connector seamlessly into their projects.
The 1.85 mm connector stands out not only due to its performance characteristics but also due to its unique design. It employs a pin and socket type configuration and utilizes an air dielectric-filled interface. This design choice contributes to its mode-free operation up to 65 GHz, a remarkable feat that showcases its engineering excellence. Referred to as the Type V connector, some manufacturers have even pushed the limits of this design, demonstrating its performance at frequencies as high as 67 GHz.
The 1.85 mm connector's high-frequency capabilities position it as an invaluable component in precision instrumentation and laboratory applications. Its ability to handle frequencies up to 65 GHz makes it particularly well-suited for tasks that demand accuracy and reliability. Furthermore, its compatibility with the 2.4 mm RF connector extends its usability and opens doors to even more diverse applications.
In the realm of connector types, variations often arise to cater to specific needs. However, the 1.85 mm connector stands as an exception. There are no accepted variations to this connector type, underscoring its standardized nature. This lack of variations simplifies the decision-making process for designers and engineers, offering a streamlined solution for high-frequency connectivity.

The journey of the 1.85 mm connector from its inception to its current status as a cornerstone of high-frequency applications showcases the interplay between innovation, standardization, and practicality. With its impressive impedance, remarkable operating frequency range, and adherence to interface standards, this connector has solidified its place in precision instrumentation, laboratories, and beyond. As technology continues to advance, the 1.85 mm connector stands as a testament to the power of open standards and collaborative engineering in shaping the future of connectivity.