Views: 0 Author: Site Editor Publish Time: 2023-08-30 Origin: Site
In the world of RF connectors, the 1.0/2.3 series emerges as a versatile and adaptable solution catering to diverse communication needs. Offering impedance options of 50 Ω or 75 Ω and featuring different cutoff frequencies, this connector series addresses a spectrum of applications with precision and efficiency. From its coupling mechanisms to historical evolution and wide-ranging applications, this article explores the intricacies of the 1.0/2.3 RF connector series, shedding light on its significance in modern telecommunications.
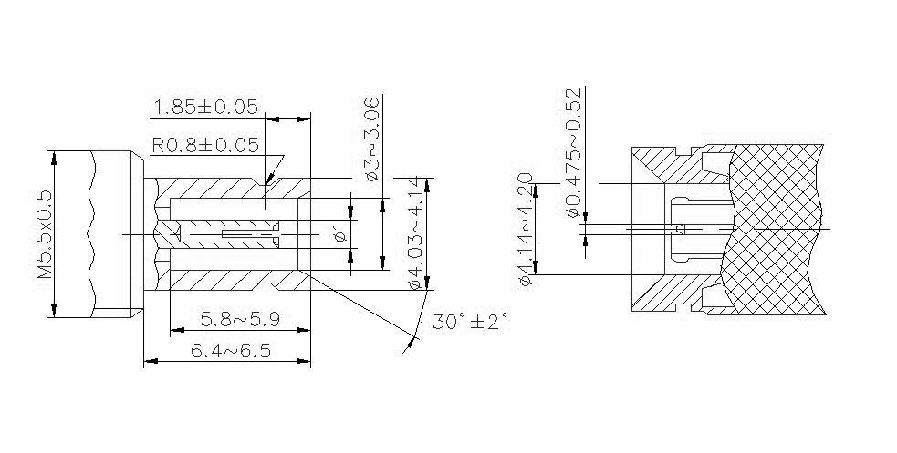
The 1.0/2.3 series of RF connectors encompasses two distinct impedance options and associated frequency cutoffs. The 50 Ω variant boasts a maximum operating frequency of 10.00 GHz, making it a reliable choice for high-frequency signal transmission. On the other hand, the 75 Ω counterpart features a 4 GHz cutoff and incorporates a smaller center conductor. Both these variations adhere to the standards laid out by the DIN 47297 specification, reflecting the series' commitment to delivering impeccable performance across varying impedance requirements and frequency ranges.
One of the defining attributes of the 1.0/2.3 RF connectorseries is its exceptional mechanical and electrical stability. This stability is a critical factor in ensuring consistent signal transmission, minimizing disruptions and signal loss. Designed to thrive in high-density scenarios, these connectors offer a 40% reduction in size when compared to the 1.6/5.6 RF connectors. This compact design not only contributes to efficient use of space but also opens doors for innovative applications where size limitations are a concern.
The 1.0/2.3 RF connector series showcases a remarkable diversity in coupling mechanisms, each catering to specific connection requirements. These coupling mechanisms empower users with options that align with their particular needs. Here are some notable subtypes within the series:
Type A: This subtype employs a screw-on mechanism with a coupling nut, ensuring a secure and stable connection.
Type C: Featuring a slide-on coupling with a centering sleeve, this subtype simplifies the connection process while maintaining precision.
Type E: The snap-on coupling mechanism, coupled with a retention clip, offers convenience and reliability in securing connections.
Type F: Quick lock coupling introduces an efficient way to establish connections swiftly, making it particularly useful in dynamic setups.
It's important to note that not all manufacturers produce all subtypes, underscoring the flexibility and customization options within the 1.0/2.3 RF connector series.
The 1.0/2.3 connector series emerged onto the European telecommunications stage during the 1990s. It was introduced under the DIN 47297 standard, driven by the growing demand for connectors that could accommodate the evolving landscape of high-density applications. With older connectors like TNC proving inadequate for these requirements, the 1.0/2.3 series stepped in to fill the gap, ushering in an era of enhanced connectivity and efficiency.
The 1.0/2.3 RF connector series finds its true calling in applications that demand both space efficiency and high-frequency capabilities. Its compact design lends itself to scenarios where connector packing density is a critical consideration. One prime application area is the dense microwave band, where the series thrives by facilitating high data rates. This proves particularly valuable in contexts like digital broadcasting and CATV distribution. The evolution of ganged backplane systems has further amplified the relevance of the 1.0/2.3 connectors in modern communication architectures.

In the intricate realm of RF connectors, the 1.0/2.3 series shines as a beacon of versatility and innovation. With dual impedance options, multiple coupling mechanisms, and a design that embraces mechanical stability and compactness, these connectors embody adaptability for a spectrum of applications. From their historical evolution as a response to changing telecommunications needs to their pivotal role in high-frequency, high-density scenarios, the 1.0/2.3 RF connector series continues to be a cornerstone of modern connectivity solutions. As technology advances, these connectors will undoubtedly remain a vital component in shaping the future of telecommunications.